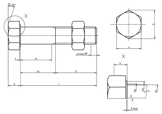
DIN 7990 Hexagon head bolts for steel structures

Dimensions for DIN 7990 Hexagon head bolts for steel structures
| Thread d |
p |
b |
c |
da |
ds |
dw |
e |
k |
k |
r |
s |
| max |
max |
nominal |
min |
max |
min |
min |
nominal |
min |
max |
min |
min |
nominal=max |
min |
| M12 |
1.75 |
17.75 |
0.6 |
14.7 |
12 |
11.3 |
12.7 |
17.2 |
20.88 |
8 |
7.55 |
8.45 |
5.28 |
0.6 |
19 |
18.48 |
| M16 |
2 |
21 |
0.8 |
18.7 |
16 |
15.3 |
16.7 |
22 |
26.17 |
10 |
9.25 |
10.75 |
6.47 |
0.6 |
24 |
23.16 |
| M20 |
2.5 |
23.5 |
0.8 |
24.4 |
20 |
19.16 |
20.84 |
27.7 |
32.95 |
13 |
12.1 |
13.9 |
8.47 |
0.8 |
30 |
29.16 |
| M22 |
2.5 |
25.5 |
0.8 |
26.4 |
22 |
21.16 |
22.84 |
29.5 |
35.03 |
14 |
13.1 |
14.9 |
9.17 |
0.8 |
32 |
31 |
| M24 |
3 |
26 |
0.8 |
28.4 |
24 |
23.16 |
24.84 |
33.2 |
39.55 |
15 |
14.1 |
18.9 |
9.87 |
0.8 |
36 |
35 |
| M27 |
3 |
29 |
0.8 |
32.4 |
27 |
26.16 |
27.84 |
0.8 |
45.2 |
17 |
16.1 |
17.9 |
11.27 |
1 |
41 |
40 |
| M30 |
3.5 |
30.5 |
0.8 |
35.4 |
30 |
29.16 |
27.84 |
42.7 |
50.85 |
19 |
17.95 |
20.05 |
12.56 |
1 |
46 |
45 |