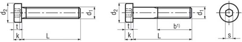
DIN 7984 : Low Head Socket Head Cap Screws

Dimensions for Low Head Socket Head Cap Screws
| Size |
Pitch |
Thread Length b1 (min) |
Head Dia. (d2) |
Head Height. (k) |
Key Size (s) |
Key Engagement (t) |
| Length (MM) |
| ≤125 |
>125≤200 |
>200 |
Min |
Max |
Min |
Max |
Min |
Max |
Min |
Max |
| M 3 |
0.5 |
12.00 |
- |
- |
5.320 |
5.500 |
1.860 |
2.000 |
2.020 |
2.100 |
1.380 |
1.620 |
| M 4 |
0.70 |
14.00 |
- |
- |
6.780 |
7.000 |
2.660 |
2.800 |
2.520 |
2.600 |
2.180 |
2.420 |
| M 5 |
0.80 |
16.00 |
- |
- |
8.250 |
8.500 |
3.320 |
3.500 |
3.020 |
3.100 |
2.580 |
2.820 |
| M 6 |
1.00 |
18.00 |
- |
- |
9.780 |
10.000 |
3.820 |
4.000 |
4.020 |
4.120 |
2.880 |
3.120 |
| M 8 |
1.25 |
22.00 |
- |
- |
12.720 |
13.000 |
4.820 |
5.000 |
5.020 |
5.140 |
3.650 |
3.950 |
| M 10 |
1.50 |
26.00 |
32.00 |
- |
15.730 |
16.000 |
5.820 |
6.500 |
7.025 |
7.175 |
4.350 |
4.650 |
| M 12 |
1.75 |
30.00 |
36.00 |
- |
17.730 |
18.000 |
6.780 |
7.000 |
8.025 |
8.175 |
4.850 |
5.150 |
| M 14 |
2.00 |
34.00 |
40.00 |
- |
20.670 |
21.000 |
7.780 |
8.000 |
10.025 |
10.175 |
5.150 |
5.450 |
| M 16 |
2.00 |
38.00 |
44.00 |
57.00 |
23.610 |
24.000 |
8.780 |
9.000 |
12.032 |
12.212 |
5.350 |
5.650 |
| M 18 |
2.50 |
42.00 |
48.00 |
61.00 |
26.670 |
27.000 |
9.780 |
10.000 |
14.032 |
12.212 |
6.320 |
6.680 |
| M 20 |
2.50 |
46.00 |
52.00 |
65.00 |
29.670 |
30.000 |
10.730 |
11.000 |
14.032 |
14.212 |
7.320 |
7.680 |
| M 22 |
2.50 |
50.00 |
56.00 |
69.00 |
32.610 |
33.000 |
11.730 |
12.000 |
14.032 |
14.212 |
7.820 |
8.180 |
| M 24 |
3.00 |
54.00 |
60.00 |
73.00 |
35.610 |
36.000 |
12.730 |
13.000 |
17.050 |
17.230 |
7.820 |
8.180 |