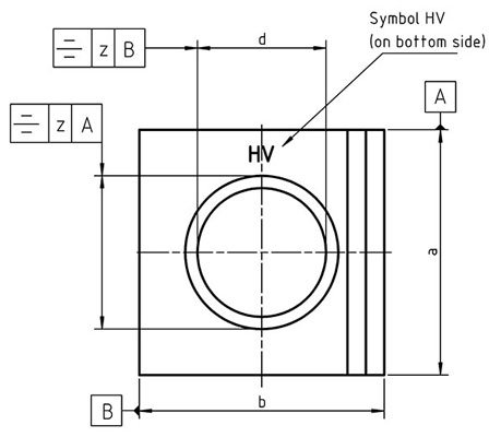
DIN 6918 Square taper washers for U-sections

Equivalent Standards

DIN 6918

Dimensions for DIN 6918 Square taper washers for U-sections

Nominal Size thread size d a b c e h r t z Weight
kg/1000pcs
min=
nominal
max Nominal min max Nominal min max min=nominal max nom min max approx approx
13 M12 13 13.43 26 24 28 30 29.35 30.65 1.6 1.9 3.7 4.9 3.9 5.9 2 0.7 1.68 18.3
17 M16 17 17.23 32 29.5 34.5 36 35.2 36.8 1.6 1.9 4.45 5.9 4.9 6.9 2.4 0.8 2 31.7
21 M20 21 21.52 40 37.5 42.5 44 43.2 44.8 2 2.5 5.25 7 5.8 8.2 2.8 0.9 2 27.1
23 M22 23 23.52 44 41.5 56.5 50 49.2 50.8 2 2.5 6 8 6.8 9.2 3.2 1 2 82.8
25 M24 25 25.52 56 53 59 56 55.05 56.95 2 2.5 6.26 8.5 7.3 9.7 3.2 1 3.8 129
25A M24 25 25.52 56 53 59 56 55.05 56.95 2 2.5 6.25 7.65 6.45 8.85 3.88 1 3.8 128
28 M27 28 28.52 56 53 59 56 55.05 56.95 2.5 3 6.26 8.5 7.3 9.7 3.2 1 3.8 122
28A M27 28 28.52 56 53 59 56 55.05 56.95 2.5 3 6.25 7.65 6.45 8.85 3.88 1 3.8 121
31 M30 31 32 62 59 65 62 61.05 62.95 2.5 3 6.52 9 7.8 10.2 3.2 1 3.8 156
31A M30 31 32 62 59 65 62 61.05 62.95 2.5 3 6.5 8.05 6.85 9.25 3.96 1 3.8 155
37 M36 37 38 68 65 71 68 67.05 68.95 3 3.5 6.68 9.4 8.2 10.6 3.2 1 3.8 182
37A M36 37 38 68 65 71 68 67.05 68.95 3 3.5 7 8.7 7.5 9.9 4.24 1 3.8 191