
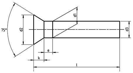
| d1 | d2 | d3 | e | k | ||
|---|---|---|---|---|---|---|
| Nominal | Tolerance | Nominal | Tolerance | min | max | approx |
| 1 | ± 0.05 | 1.8 | h14 | 0.93 | 0.5 | 0.5 |
| 1.2 | ± 0.05 | 2.1 | h14 | 1.13 | 0.6 | 0.6 |
| 1.4 | ± 0.05 | 2.4 | h14 | 1.33 | 0.7 | 0.7 |
| 1.6 | ± 0.05 | 2.8 | h14 | 1.52 | 0.8 | 0.8 |
| 2 | ± 0.1 | 3.5 | h14 | 1.87 | 1 | 1 |
| 2.5 | ± 0.1 | 4.4 | h14 | 2.37 | 1.25 | 1.2 |
| 3 | ± 0.1 | 5.2 | h14 | 2.87 | 1.5 | 1.4 |
| 3.5 | ± 0.1 | 6.3 | h15 | 3.37 | 1.75 | 1.8 |
| 4 | ± 0.1 | 7 | h15 | 3.87 | 2 | 2 |
| 5 | ± 0.15 | 8.8 | h15 | 4.82 | 2.5 | 2.5 |
| 6 | ± 0.15 | 10.5 | h15 | 5.82 | 3 | 3 |
| 7 | ± 0.15 | 12.2 | h15 | 6.82 | 3.5 | 3.5 |