
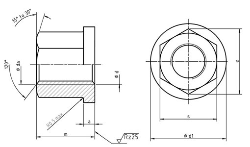
| Thread d | a | d1 | da | e | m | s | Weight kg/1000pcs |
||
|---|---|---|---|---|---|---|---|---|---|
| js14 | h13 | min. | max | min | js15 | tolerance | |||
| M6 | 3 | 14 | 6 | 6.75 | 11.05 | 9 | 10 | h13 | 6 |
| M8 | 3.5 | 18 | 8 | 8.75 | 14.38 | 12 | 13 | h13 | 12 |
| M10 | 4 | 22 | 10 | 10.8 | 17.77 | 15 | 16 | h13 | 22 |
| M12 | 4 | 25 | 12 | 13 | 20.03 | 18 | 18 | h13 | 30 |
| M16 | 5 | 31 | 16 | 17.3 | 26.75 | 24 | 24 | h13 | 68 |
| M20 | 6 | 37 | 20 | 21.6 | 33.53 | 30 | 30 | h13 | 124 |
| M24 | 6 | 45 | 24 | 25.9 | 39.98 | 36 | 36 | h14 | 219 |
| M27 | 7 | 50 | 27 | 29.1 | 45.63 | 40 | 41 | h14 | 320 |
| M30 | 8 | 58 | 30 | 32.4 | 51.28 | 45 | 46 | h14 | 464 |
| M36 | 10 | 68 | 36 | 38.9 | 61.31 | 54 | 55 | h14 | 790 |
| M42 | 12 | 80 | 42 | 45.4 | 72.61 | 63 | 65 | h14 | 1290 |
| M48 | 14 | 92 | 48 | 51.8 | 83.91 | 72 | 75 | h14 | 1970 |