
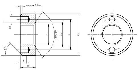
Dimensions for DIN 547 Two hole nuts
| Thread size d |
p |
da |
dh |
dk |
e |
m |
t |
weight kg/1000pcs |
| min |
max |
nom = min |
max |
nom = max |
min |
nom |
min |
max |
nom = max |
min |
min |
max |
| M2 |
0.4 |
0.2 |
2.3 |
1 |
1.14 |
5.5 |
5.2 |
4 |
4.15 |
3.85 |
2 |
1.75 |
- |
- |
0.31 |
| M2.5 |
0.45 |
2.5 |
2.9 |
1.2 |
1.34 |
7 |
6.64 |
5 |
5.15 |
4.85 |
2.2 |
1.95 |
- |
- |
0.56 |
| M3 |
0.5 |
3 |
3.5 |
1.5 |
1.64 |
8 |
7.64 |
5.5 |
5.65 |
5.35 |
2.5 |
2.25 |
1.3 |
1.7 |
0.83 |
| M3.5 |
0.6 |
3.5 |
4 |
1.5 |
1.64 |
9 |
8.64 |
6 |
6.15 |
5.85 |
3 |
2.75 |
1.8 |
2.2 |
1.26 |
| M4 |
0.7 |
4 |
4.6 |
1.5 |
1.64 |
10 |
9.64 |
7 |
7.18 |
6.82 |
3.5 |
3.2 |
1.8 |
2.2 |
1.83 |
| M5 |
0.8 |
5 |
5.75 |
2 |
2.14 |
12 |
11.57 |
8 |
8.18 |
7.82 |
4.2 |
3.9 |
2.3 |
2.7 |
3.08 |
| M6 |
1 |
6 |
6.75 |
2.5 |
2.64 |
14 |
13.57 |
10 |
10.18 |
9.82 |
5 |
4.7 |
2.8 |
3.2 |
4.93 |
| M8 |
1.25 |
8 |
8.75 |
3 |
3.14 |
18 |
17.57 |
13 |
13.18 |
12.82 |
6.5 |
6.14 |
3.3 |
3.8 |
10.5 |
| M10 |
1.5 |
10 |
10.8 |
3.5 |
3.68 |
22 |
21.48 |
15 |
15.18 |
14.82 |
8 |
7.64 |
3.8 |
4.3 |
19.3 |